联系我们 | 返回首页

上海日耐泵业有限公司
电话:021-56378177
传真:021-56377916
电子邮箱:shrnby@163.com
地址:上海市普陀区武威东路788弄26号
当前位置:首页 > 产品展示
JYZR液压隔膜计量泵

泵  头: SUS304, SUS316, 304+PTFE, 316+PTFE

隔  膜: PTFE

单向阀: SUS304, SUS316

阀   球: ZrO2, SUS304, SUS316, 陶瓷

营销总部电话:021-56378177 日耐优势:质量稳定,常规产品全部 现货供应各种材质、非常规产品皆可订做

  • 产品概述
  • 性能参数
  • 实物图片

流量范围: 0-700L/H

压力范围: 0-22MPA

功率: 1.1KW, 1.5KW, 220V / 380V /400V,50Hz / 60Hz

驱动系统: 两相、三相标准电机或防爆电机

流量控制: 手动控制或(接收 4-20mA 信号)

防护等级: IP55,IP54

 

材料

泵头: SUS304, SUS316, 304+PTFE, 316+PTFE

隔膜: PTFE

单向阀: SUS304, SUS316

阀球: ZrO2, SUS304, SUS316, 陶瓷

 

工作条件

环境温度: -30℃ --- 80℃

 

特点

1.无泄漏,维修方便,低噪音,使用方便。

2.计量精度优于机械隔膜泵,密封性能优于柱塞泵。

3.配冲程调节器可以实现远程自动控制。

4. 隔膜为多层复合结构压制而成,第一层超韧性Teflon耐酸薄膜,第二层EPDM弹性橡胶,第三层3.0mmSUS304支撑铁芯,第四层采用强化尼龙纤维补,第五层采用EPDM弹性橡胶完全包履,可有效提出升隔膜使用寿命

型号意义:

 

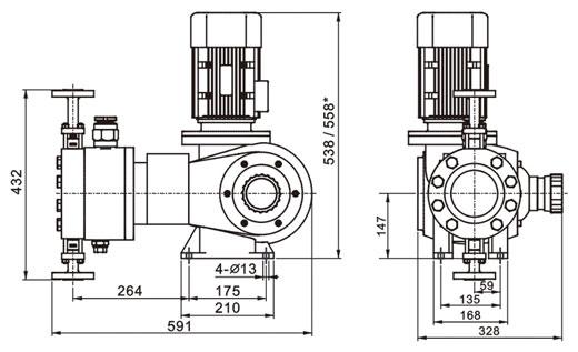
安装尺寸图

 

 

>> 相关产品
CDLK、CDLKF侵入式离心泵
CQB系列氟塑料磁力泵
IHF氟塑料离心泵
FSB氟塑料合金离心泵
首页|关于我们|产品展示|售后服务|诚聘英才|技术支持|联系我们
营销总部电话:021-56378177 传真:021-56377916 客服QQ:2605330408 客服信箱:shrnby@163.com
上海日耐泵业有限公司 www.shrnby.com 备案号:沪ICP备09058026号-2;

沪公网安备 31010702001994号